Tel: 0086.574.88461212 /84481166
Fax:0086.574.83064867
Email:ph@ph-fitting.com
Contact person:
Export Dept:0086.574.87056170
Home - Products - Hydraulic Valve & Manifold Block - Carbon Steel - Cartridge Valve - PHVD5
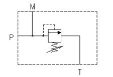
Series: CARTRIDGE VALVE
Model: PHVD5
1.Max pressure£º270 bar
2.Max flow: 60 l/min
3.Weight: PHVD512=1.8kg 
                  PHVD534=2.3kg
4. Superior in quality and competitive in price
5. Scientific design and precise manufacturing
Description:
R.V., P-T 1/2''G or 3/4''G, (M 1/4''G), with R.V.




NPT,SAE,PT thread for all parts is available