Tel: 0086.574.88461212 /84481166
Fax:0086.574.83064867
Email:ph@ph-fitting.com
Contact person:
Export Dept:0086.574.87056170
Home - Products - Hydraulic Valve & Manifold Block - Carbon Steel - Single Subplate Cetop 5 - PHS510LL
Series:
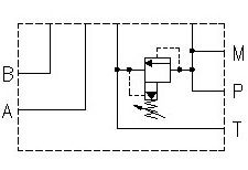
Model: PHS510LL
1. Subplate  A-B-P-T on long side=1”G
2. with /without pressure relief valve. (RV),
3. Weight=11kg
4. Superior in quality and competitive in price
5. Scientific design and precise manufacturing
Description:
A-B-P-T on longer side 1''G, with R.V.